三、1×4 1x8双向磁光开关的技术参数
| 规格 | 单位 | 参数 | |
| 不可逆 | 可逆 | ||
| 波长范围 | nm | 1525 ~ 1565 | |
| 插入损耗 | dB | 2.0 (Typ.); 3.0 (Max.) | |
| 偏振相关损耗 | dB | 0.2 (Typ.); 0.3(Max.) | |
| 回损 | dB | 40 | 30 |
| 串扰 | dB | 40 | 35 |
| 偏振模式色散 | ps | 0.2 | |
| 重复性 | dB | +/- 0.01 | |
| 持续性 | cycles | > 30 Billions | |
| 切换速度 | μs | 10~30us/200 ~400 | |
| 工作温度 | °C | -20 ~ 70 | |
| 存储温度 | °C | -40 ~ 85 | |
| 光功率 | mW | 500 | |
| 尺寸(L x W x H) | mm | 90x76x17.5 | |
| 所有规格的损耗不包括连接头的损耗,并且不包括在特殊环境下的损耗 | |||
驱动管脚定义
| 针脚 | Pin1 | Pin2 | Pin3 | Pin4 | Pin5 | Pin6 |
| 定义 | VCC | GND | Ctrl 0 | Ctrl 1 | NA | NA |
控制信号和切换状态
表1:单向开关切换状态对应的引脚控制信号
| Ctrl 0 | 0 | 0 | 1 | 1 | 0 | 0 | 1 | 1 |
| Ctrl 1 | 0 | 1 | 0 | 1 | 0 | 1 | 0 | 1 |
| Optical Path | IN→OUT 1 | IN→OUT 2 | IN→OUT 3 | IN→OUT 4 | OUT4→IN | OUT3→IN | OUT2→IN | OUT1→IN |
表2:双向开关切换状态对应的引脚控制信号
| Ctrl 0 | 0 | 0 | 1 | 1 |
| Ctrl 1 | 0 | 1 | 0 | 1 |
| Optical Path | INOUT 1 | INOUT 2 | INOUT 3 | INOUT 4 |
电控参数
| 参数 | 规格 | 单位 |
| 切换速度 | 200~400 | μs |
| 开关电压(VCC) | 5 (+/-5%) | V |
| 开关电流 | < 200 | mA |
| 脉冲宽度 | 1000 | μs |
| 损态频率 | <800 | Hz |
| 备注:超过此驱动电压会损坏器件。 | ||
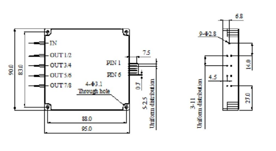
外形尺寸

v88体育qcom光电1×4 1x8双向磁光开关订购信息
MOS-1×4 -A-B-C-D-E-F
| 工作模式 | 开关速度 | 工作波长 | 光纤 | 光纤长度 | 连接器类型 |
| 1.常规 2.双向 | 1.200~400us 2.10~30us 3. Others | 1.C Band 1525~1565 nm 2. L Band 1565-1615 nm 3. C & L Band 4. Others | 1.250μm光纤 2. 900μm光纤 3. Others | 1.0.5 +/- 0.1 m 2. 1.0 +/- 0.1 m 3. Others | 0.无接头/No 1. FC/UPC 2. FC/APC 3. SC/UPC 4. SC/APC 5. Others |
1×4与1×8双向磁光开关拓展资料
一、1×4与1×8双向磁光开关的工作原理
1×4与1×8双向磁光开关的工作原理主要基于法拉第旋光效应。当线偏振光沿外加磁场方向通过磁光晶体时,其偏振面会发生旋转。通过精确控制外加磁场的方向和强度,我们可以实现对光信号偏振状态的精确调控,从而实现光路的切换。在1×4与1×8双向磁光开关中,这种偏振状态的改变被巧妙地转化为光信号的输出路径选择,实现了光信号在多个输出端口之间的灵活切换。
二、1×4与1×8双向磁光开关的应用范围
1、无源光网络(PON):在PON系统中,1×4与1×8双向磁光开关可以用于光信号的分配和切换,提高网络的灵活性和可扩展性。同时,其低功耗和高稳定性也确保了PON系统的长期稳定运行。
2、光保护系统:在光网络中,故障检测和恢复是至关重要的。1×4与1×8双向磁光开关可以用于光保护系统,当检测到光信号故障时,能够迅速切换至备用光路,确保光信号的连续传输。
3、测量系统:在光通信系统的测量和测试中,1×4与1×8双向磁光开关可以用于光信号的调制和解调,提高测量的准确性和精度。同时,其灵活的切换功能也为测量系统的设计和实现提供了更多的可能性。
4、网络监控:在光网络监控系统中,1×4与1×8双向磁光开关可以用于光信号的实时监测和分析。通过切换不同的输出端口,可以实现对光网络中不同节点的监控和管理,提高网络的可靠性和稳定性。