1x2磁光开关反射式(可逆)
1x2磁光开关反射式(可逆)具有无活动部件,经久耐用、超快切换速度、极其稳定的闭锁模式、低功耗、易于布线-所有光纤都在同一侧、卓越的可靠性和稳定性等特点,主要应用于光开关、高速保护、系统监控、测试测量、光纤传感系统等领域。
产品咨询
详细信息


1x2磁光开关反射式(可逆)

一、1x2磁光开关反射式(可逆)特点
无活动部件,经久耐用
超快切换速度
极其稳定的闭锁模式
低功耗
易于布线-所有光纤都在同一侧
卓越的可靠性和稳定性


二、1x2磁光开关反射式(可逆)应用范围

光开关
高速保护
系统监控
测试测量
光纤传感系统


三、1x2磁光开关反射式(可逆)技术指标


     参数单位数值备注
    波长范围
nm
1525~1565
其他波段可选
    插入损耗
dB
0.8(Typ.);1.2(Max.)

    偏振相关损耗
dB
 0.15(Typ.);0.3(Max.)

    回波损耗
dB
30
典型值>45dB
    串扰
dB
30
典型值>45dB
    偏振模色散
ps
0.3

    可重复性
dB
+/-0.01

    耐久性
cycles
>100Billions

    开关速度
μs
定时的(200~400);超快的(10~30)
其他速度可选
    储存温度

-40~85

    工作温度

-5~70

    最大光功率
mW
500
高功率可选
    尺寸(长x宽x高)
mm
28×9.5×7.8


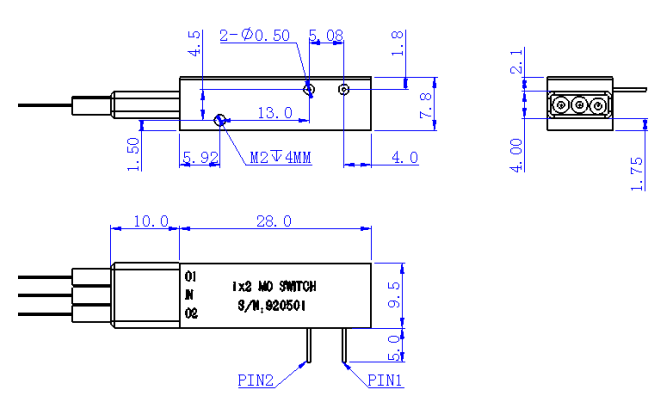
四、1x2磁光开关反射式(可逆)尺寸

1x2磁光开关反射式-可逆尺寸图


五、1x2磁光开关反射式(可逆)电气规格

    参数规格单位
定时的超快的
    开关速度
200~400
10~30
μs
    开关电压(VCC)
5(+/-5%)
6.0~7.0
V
    开关电流
<100
<350
mA
    驱动方式
电压或脉冲驱动
脉冲驱动
NA
    脉冲宽度(典型)
1000
200
μs
    开关频率
<800
<3000
Hz


六、1x2磁光开关反射式(可逆)引脚定义


      Pin1
Pin2
光输出端口
    1(电压=VCC)
0(电压=GND)
IN↔OUT 1
    0(电压=GND)
1(电压=VCC)
IN↔OUT 2
    1(电压=VCC)
0(电压=GND)
OUT2↔IN
    0(电压=GND)
1(电压=VCC)
OUT1↔IN


七、v88体育qcom光电1x2磁光开关反射式(可逆)订购信息

ZG工作模式
开关速度
工作波长
光纤
光纤长度
连接器类型
双向1.200~400us
2.10~30us
3.Others 
1.CBand1525~1565 nm
2.L Band 1565-1615 nm
3.C&L Band
4.Others 
1.250μm fiber
2.900μm fiber
3.Others
1.0.5+/-0.1 m
2.1.0+/-0.1 m
3.Others 
0.No Connector
1.FC/UPC
2.FC/APC
3.SC/UPC
4.SC/APC
5.LC/PC
6.MU/PC
7.Others



返回列表
为您推荐