三、保偏机械式光衰减器的技术参数
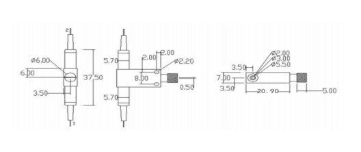
参数指标 单位 最小值 典型值 最大值 波长范围 nm 1260-1650nm or 980nm/1064nm 衰减范围 dB 0 60 衰减精度 dB ±0.2 功率监控精度 dB ±0.15 消光比 dB ≥18 光功率 mW 500 插入损耗 dB 1 波长相关损耗 dB 1 偏振相关损耗 dB 0.5 工作温度范围 °C -20 +65 工作湿度范围 % 70 尾纤接头类型 FC/APC, FC/UPC 输入输出光纤类型 PM1550 尺寸 mm 20.90(L)×12(W)×7(H)
尺寸图

v88体育qcom光电保偏机械式光衰减器订货信息
波长 衰减大小 尾纤套管直径 尾纤长度 连接头形式 13=1310nm
15=1550nm
10=1060nm
X=others1=0~60dB
2=0~40dB
3=0~30dB9=0.9mm
2=3mm0=0.5m
1=1m
X=othersFC/APC
FC/UPC
LC/UPC
LC/APC
SC/APC
SC/UPC
保偏机械式光衰减器拓展资料
一、保偏机械式光衰减器的工作原理
保偏机械式光衰减器的工作原理主要基于光的偏振特性和机械调节技术。它利用特定的光学材料和精密的机械结构,通过精确的机械调节,改变光信号在光纤中的传输路径,从而实现对光功率的衰减。同时,通过采用保偏光纤和特殊的耦合技术,确保在衰减过程中光信号的偏振态保持不变。
具体来说,保偏机械式光衰减器内部通常包含两个光纤准直器和一个可调节的衰减片。当光信号从输入光纤进入衰减器时,首先被第一个光纤准直器准直成平行光。然后,光信号通过衰减片,其强度被精确调节。最后,光信号被第二个光纤准直器重新耦合到输出光纤中。在整个过程中,由于采用了保偏光纤和特殊的耦合技术,光信号的偏振态得以保持不变。
二、保偏机械式光衰减器的应用范围
1、光通信网络系统:在光通信网络中,保偏机械式光衰减器可用于调节光信号的功率,保护光纤系统和设备免受过高光功率的损害。通过精确调节衰减量,可以确保光信号在传输过程中保持稳定的功率水平,从而提高系统的稳定性和可靠性。
2、光纤实验系统:在光纤实验系统中,保偏机械式光衰减器可用于模拟不同的光损耗条件,以评估系统的性能和动态范围。通过调节衰减量,可以模拟不同长度的光纤或不同类型的连接器引入的损耗,为实验提供准确的数据支持。
3、光纤传感系统:在光纤传感系统中,保偏机械式光衰减器可用于调节传感信号的强度,确保传感器能够准确接收并处理光信号。同时,由于其保持偏振态的特性,它可以确保传感信号的准确性和可靠性。
4、光器件测试:在光器件测试中,保偏机械式光衰减器可用于模拟实际工作环境中的光损耗条件,以测试光器件的性能。例如,在测试光开关、光放大器、光滤波器等器件时,可以使用保偏机械式光衰减器来模拟不同的输入光功率和损耗条件,从而评估器件的性能和稳定性。